Производственная компания

Секционные противопожарные ворота

Автоматические конструкции с огнестойким наполнением: преграждают путь огню и дыму, обеспечивая безопасность людей и сохранность имущества.

15+

Лет опыта

EI60/EI90

Класс защиты

5 дней

Изготовление

Примеры

Выполненных работ

Преимущества секционнах противопожарных ворот

Преимущества:

Благодаря панелям с внутренним заполнением негорючим материалом (минеральная вата), распашные противопожарные ворота позволяют эффективно сдерживать распространения огня. Ворота могут открываться наружи или внутрь помещения. Также можно изготовить створки разных размеров. Створки ворот уплотняются по периметру для предотвращения проникновения дыма. Существует возможность ручного открытия ворот, а также установки автоматического привода с подключением к системам пожарной охраны.

Цвета противопожарных ворот

Все цвета имеют стандартную цену — без доплат!

Варианты открытия дверей и варианты монтажа

Существует возможность заказа противопожарных распашных ворот с симметричными створками т.е. одной ширины и со створками разной ширины и стороны открытия (наружу или внутрь). Термоизоляция осуществляется за счет установки по периметру створок специального уплотнителя, который предотвращает прохождение дыма и открытого огня. 

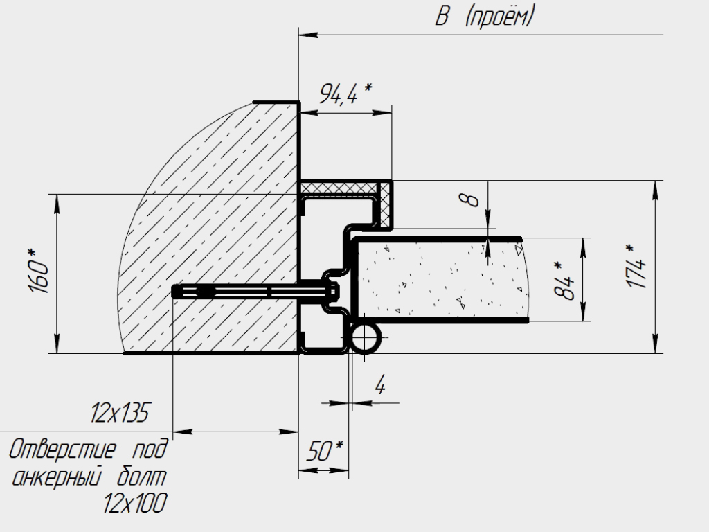
Монтаж осуществляется по стандартной схеме встроенного типа.

Комплектация

ПОЛОТНО ВОРОТ
РАМА ВОРОТ
ВРЕЗНОЙ ЗАМОК/ЗАДВИЖКА

ДОПОЛНИТЕЛЬНО МОЖНО ЗАКАЗАТЬ:

АВТОМАТИЧЕСКИЙ ПРИВОД ВОРОТ/СИСТЕМУ БЕЗОПАСНОСТИ/GSM МОДУЛЬ/КЛЮЧ-ЗАМОК

Почему выбирают нас?

Более 15 лет создаём надёжные решения для защиты вашего дома и бизнеса

Индивидуальное изготовление

Любые размеры, цвета и конфигурации. Расчёт стоимости по вашему проекту.

Изготовление за 5 дней

Собственное производство. Контроль качества на всех этапах.

Сертификаты EI60/EI90

Все ворота сертифицированы. Соответствуют требованиям пожарной безопасности.

Гарантия 2 года

Официальная гарантия на работы и материалы. Сервисное обслуживание.

Готовы
заказать?

Оставьте заявку, и наш специалист свяжется с вами в ближайщее время!

Сертификаты и лицензии

Все наши материалы и системы сертифицированы.
Соответствуем требованиям пожарной безопасности и строительным нормам РФ.

Получите расчёт стоимости за 15 минут

Оставьте заявку, и наш инженер приедет на бесплатный замер.
Рассчитаем точную стоимость, покажем образцы материалов и договоримся об установке.

Нажимая кнопку «Отправить заявку», я соглашаюсь с политикой конфиденциальности
Обратная связь

Оставьте заявку, и наш инженер приедет
на бесплатный замер